В данном разделе размещена информация справочного характера, предоставленная открытыми источниками.
Компания не занимается реализацией и сопровождением товаров и услуг не связанных с производством и обслуживанием грузоподъёмных механизмов.
|
ФЕДЕРАЛЬНОЕ АГЕНТСТВО
ПО ТЕХНИЧЕСКОМУ РЕГУЛИРОВАНИЮ И МЕТРОЛОГИИ
|
|

|
НАЦИОНАЛЬНЫЙ
СТАНДАРТ
российской
ФЕДЕРАЦИИ
|
ГОСТ Р
52875-
2007
|
УКАЗАТЕЛИ ТАКТИЛЬНЫЕ НАЗЕМНЫЕ ДЛЯ ИНВАЛИДОВ ПО ЗРЕНИЮ
Технические требования
|

|
Москва
Стандартинформ
2008
|
Предисловие
Цели и принципы стандартизации в Российской Федерации установлены Федеральным законом от 27
декабря 2002 г. № 184-ФЗ
«О техническом регулировании», а правила применения национальных стандартов Российской Федерации - ГОСТ Р 1.0-2004 «Стандартизация в Российской Федерации. Основные положения»
Сведения о стандарте
1 РАЗРАБОТАН Федеральным государственным унитарным предприятием «Российский научно-технический центр информации по стандартизации, метрологии и оценке соответствия» (ФГУП
«СТАНДАРТИНФОРМ») и Негосударственным учреждением «Институт профессиональной реабилитации и подготовки персонала Общероссийской общественной организации инвалидов Всероссийского ордена Трудового Красного знамени общества слепых «Реакомп» (НУ ИПРПП ВОС «Реакомп»)
2 ВНЕСЕН Техническим комитетом по стандартизации ТК 381 «Технические средства для инвалидов»
3 УТВЕРЖДЕН И ВВЕДЕН В ДЕЙСТВИЕ Приказом Федерального агентства по техническому
регулированию и метрологии от 27 декабря 2007 г. № 553-ст
4 Настоящий стандарт разработан по заказу Федерального агентства по здравоохранению и социальному развитию в рамках федеральной целевой программы «Социальная поддержка инвалидов на 2006-2010 годы», утвержденной Постановлением Правительства Российской Федерации от
29 декабря 2005
г. № 832
5 ВВЕДЕН ВПЕРВЫЕ
Информация об изменениях к настоящему стандарту публикуется в ежегодно издаваемом
информационном указателе «Национальные стандарты», а текст изменений и поправок - в ежемесячно издаваемых информационных указателях «Национальные стандарты». В случае пересмотра (замены) или отмены настоящего стандарта соответствующее уведомление будет опубликовано в ежемесячно издаваемом информационном указателе «Национальные стандарты». Соответствующая информация, уведомление и тексты размещаются также в информационной системе общего
пользования - на официальном сайте Федерального агентства по техническому регулированию и метрологии в сети Интернет
Содержание
НАЦИОНАЛЬНЫЙ СТАНДАРТ РОССИЙСКОЙ ФЕДЕРАЦИИ
|
УКАЗАТЕЛИ ТАКТИЛЬНЫЕ НАЗЕМНЫЕ
ДЛЯ ИНВАЛИДОВ ПО ЗРЕНИЮ
Технические требования
Tactile
ground indexes for invalids on sight. Technical requirements
|
Дата введения - 2009-01-01
Настоящий стандарт распространяется на тактильные наземные указатели (далее - указатели), с помощью которых инвалиды по зрению получают информацию о путях движения в населенных пунктах (территория, застройка) и общественных зданиях (внутренние пространства, зоны получения услуг), и устанавливает технические требования, назначение, место расположения и правила применения указателей, размещаемых на дорогах и улицах населенных пунктов в местах, разрешенных ГОСТ Р 52605, и на поверхности напольных покрытий общественных зданий.
В настоящем стандарте использованы нормативные ссылки на следующие стандарты:
ГОСТ Р 52289-2004 Технические средства организации дорожного движения. Правила применения дорожных знаков, разметки, светофоров, дорожных ограждений и направляющих устройств
ГОСТ Р 52605-2006 Технические средства организации дорожного движения. Искусственные неровности. Общие технические требования. Правила применения
ГОСТ 4997-75 Ковры диэлектрические резиновые. Технические условия
ГОСТ 6787-2001 Плитки керамические для полов. Технические условия
ГОСТ 17608-91 Плиты бетонные тротуарные. Технические условия
Примечание - При пользовании настоящим стандартом целесообразно проверить действие ссылочных стандартов в информационной системе общего пользования - на официальном сайте Федерального агентства по техническому регулированию и метрологии в сети Интернет или по ежегодно издаваемому информационному указателю «Национальные стандарты», который опубликован по состоянию на 1 января текущего года, и по соответствующим ежемесячно издаваемым информационным указателям, опубликованным в текущем году. Если ссылочный стандарт заменен (изменен), то при пользовании настоящим стандартом следует руководствоваться заменяющим (измененным) стандартом. Если ссылочный стандарт отменен без замены, то положение, в котором дана ссылка на него, применяется в части, не затрагивающей эту ссылку.
В настоящем стандарте применены следующие термины с соответствующими определениями:
3.1 инвалид по зрению: Лицо, у которого полностью отсутствует зрение или острота остаточного зрения не превышает 10%, или поле зрения составляет не более 20 %.
3.2 тактильный наземный указатель: Средство отображения информации, представляющее собой полосу из различных материалов определенного цвета и рисунка рифления, позволяющих инвалидам по зрению распознавать типы дорожного или напольного покрытия путем осязания стопами ног, тростью или используя остаточное зрение.
Примечание - В настоящем стандарте к тактильным наземным указателям отнесены и напольные указатели, установленные в общественных зданиях и сооружениях.
3.3 искусственная неровность: Специально устроенное возвышение на проезжей части дороги для принудительного снижения скорости движения, расположенное перпендикулярно к оси дороги.
4.1.1 Указатели должны предоставлять инвалидам по зрению необходимую и достаточную
информацию, способствующую самостоятельной ориентации в инфраструктуре городов, микрорайонов, поселков и других населенных пунктов, в том числе на дорогах и в общественных зданиях.
Указатели должны соответствовать требованиям [1].
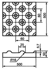
4.1.2 Поверхность указателей должна быть шероховатой рифленой с противоскользящими свойствами, отличной по структуре и цвету от прилегающей поверхности дорожного или напольного покрытия, и обеспечивать ее распознавание инвалидами по зрению на ощупь и (или) визуально. Формы рифления поверхности указаны на рисунках 1-4.

Рисунок 1
- Форма рифления с продольными рифами

Рисунок 2
- Форма рифления с конусообразными рифами

Рисунок 3
- Форма рифления с квадратными рифами

Рисунок 4
- Форма рифления с рифами, расположенными по диагонали (левая диагональ)
4.1.3 Основные размеры, цвет, формы рифления, назначение, правила применения, требования к поверхности указателей должны соответствовать требованиям настоящего стандарта, требованиям документации планировки территории населенных пунктов, проектной документации на строительство общественных зданий и сооружений и нормативным правовым актам в сфере обеспечения безопасности дорожного движения.
4.1.4 Указатели в зависимости от места установки подразделяют на следующие виды:
- дорожные;
- напольные.
4.1.5 Указатели в зависимости от назначения подразделяют на следующие группы:
- предупреждающие;
- направляющие.
4.1.6 Предупреждающие указатели должны обеспечивать возможность инвалидам по зрению ориентироваться в пространстве и избегать опасностей, способных нанести вред здоровью, на пути следования внутри общественных зданий и сооружений, на территории и застройке населенных пунктов по предназначенным для них пешеходным маршрутам. Форма рифления предупреждающих указателей
должна соответствовать рисункам 2 и 3.
4.1.7 Направляющие указатели должны обеспечивать возможность инвалидам по зрению передвигаться в нужном направлении самостоятельно, без сопровождающего лица, внутри общественных зданий и сооружений, на территории населенных пунктов по предназначенным для них пешеходным
маршрутам. Форма рифления направляющих указателей должна соответствовать рисункам 1 и 4.
4.1.8 Материалы, применяемые для изготовления указателей, не должны препятствовать очистке от снега, грязи и мусора.
4.1.9 Указатели должны быть надежно закреплены, они не должны сдвигаться и (или) «задираться» при контакте с обувью или средством реабилитации.
4.1.10 Указатели должны иметь повышенную износостойкость к интенсивным механическим воздействиям. Срок службы указателей должен быть равен сроку службы прилегающего покрытия.
4.2.1 Тактильные дорожные указатели размещают на тротуарах, проезжей части дорог, на территориях предприятий Всероссийского общества слепых, жилых районов и микрорайонов населенных пунктов. Глубина рифов для тактильных дорожных указателей с формой рифления, указанной на рисунках 1-4,
должна быть 7
мм.
Примечание - В настоящем стандарте к дорожным указателям отнесены указатели, установленные вне общественных зданий и сооружений.
4.2.2 Назначение, размеры, форма рифления и место расположения тактильных дорожных указателей приведены в таблице 1.
Таблица 1
|
Назначение
|
Размеры
|
Форма
рифления
|
Место
расположения
|
|
1 Внимание,
подземный
переход
|
Полоса
шириной
500 мм
или 600
мм
и
длиной,
равной
ширине
перехода,
выложенная
на тротуаре
перед
началом
перехода
|
С
конусообразными
рифами (см. рисунок 2)
|
На
расстоянии
800 мм от
кромки
первой
ступени
лестницы
|
|
2 Внимание,
наземный
переход
|
Полоса
шириной
500 мм
или 600
мм
и
длиной,
равной ширине
перехода,
выложенная на
тротуаре
перед
началом
перехода
|
С
продольными
рифами
(см.
рисунок
1)
|
На
расстоянии
800 мм от
кромки
проезжей
части
|
|
3 Внимание,
наземный
переход
под углом
90°
|
Две
полосы
шириной
500 мм
или 600 мм
и
длиной,
равной ширине
перехода,
выложенные на
тротуаре
с
двух
сторон перед
поворотом
на
переход
|
С
рифами,
расположенными
по
диагонали (см.
рисунок
4)
|
На
расстоянии
800 мм от
линий,
являющихся
продолжением кромки перехода
|
|
4 Внимание,
светофор
|
Квадрат,
выложенный
вокруг
мачты
светофора
и
состоящий
из
4-х
плит
со
стороной
плитки, равной 500´500 мм
|
С
квадратными
рифами
(см.
рисунок
3)
|
Вокруг
мачты
светофора
в
обхват
|
|
5 Внимание, препятствие
|
Полоса, выложенная по контуру препятствия, шириной 500 мм
|
С квадратными рифами (см. рисунок 3)
|
На расстоянии 800
мм от препятствия
|
|
6 Внимание, поворот налево (направо)
|
Плита со стороной квадрата, равной 500´500 мм
|
С рифами, расположенными по диагонали (см. рисунок 4)
|
На месте поворота
|
4.2.3 Наземные пешеходные переходы для инвалидов по зрению представляют собой искусственные неровности монолитной конструкции и должны соответствовать требованиям ГОСТ Р 52605 с учетом требования 4.2.4.
4.2.4 Обустройство наземных пешеходных переходов для инвалидов по зрению должно соответствовать требованиям ГОСТ Р 52289.
4.2.5 Покрытие наземного пешеходного перехода для инвалидов по зрению должно быть отличным от покрытия тротуара и проезжей части дороги.
4.2.6 Для тактильных дорожных указателей, установленных на тротуарах, рекомендуется применять бетонные тротуарные плиты размерами 300´300 мм или 500´500 мм, изготовленные по ГОСТ 17608, с рифленой лицевой поверхностью.
4.2.7 Дорожные указатели из тротуарных плит, установленные на тротуаре, должны выступать над его поверхностью не более чем на 10
мм с плавным переходом, скосом.
4.2.8 В качестве указателя на территории предприятий, жилых районов и микрорайонов можно применять дорожки с гравийным покрытием.
В местах пересечения двух дорожек рекомендуется устраивать площадки, возвышающиеся на 30 мм над полотном дорожек. От площадок по четырем сторонам оборудуют спуски - пандусы с углом наклона 3 %. Для облегчения ориентирования покрытия пересекающихся дорожек в месте стыка могут быть отличными друг от друга, например асфальт - гравий, асфальт - плитка или гравий с различными размерами фракций - 20, 40, 60
мм.
4.2.9 Перед входными дверями зданий и сооружений на расстоянии 500 мм на подступающих к ним дорожках оборудуют площадки с покрытием, резко отличающимся от покрытия основной дорожки (сетка, гравий, решетка, тротуарные плиты и т.д.).
4.3.1 Тактильные напольные указатели располагают в коридорах и на площадках лестничных маршей общественных зданий и сооружений для обозначения инвалидам по зрению направления движения, а также для предупреждения их о возможных опасностях на пути следования. Глубина рифов для тактильных напольных указателей с формой рифления, указанной на рисунках 1-4, должна быть 5
мм.
4.3.2 Назначение, размеры, форма рифления и место расположения тактильных напольных указателей приведены в таблице 2.
Таблица 2
|
Назначение
|
Размеры
|
Форма рифления
|
Место расположения
|
|
1 Внимание, крайняя ступенька лестничного марша
|
Полоса по ширине и длине
ступеньки
|
С конусообразными
рифами (см. рисунок 2)
|
На расстоянии 600
мм от кромки крайней ступеньки
|
|
2 Направляющие дорожки
|
Полоса шириной не менее 500 мм
|
С продольными рифами (см. рисунок 1)
|
Вдоль стены на расстоянии не более 1000 мм
от стены
|
|
3 Внимание, препятствие
|
Полоса, выложенная по контуру препятствия шириной 300 мм
|
С квадратными рифами (см. рисунок 3)
|
На расстоянии 600
мм от препятствия
|
|
4 Внимание, поворот налево (направо)
|
Плита со стороной квадрата, равной 500´500 мм
|
С рифами, расположенными по диагонали (см. рисунок 4)
|
На месте поворота
|
4.3.3 Тактильные напольные указатели могут быть изготовлены из различных материалов, обладающих противоскользящими свойствами, в том числе из керамических плиток по ГОСТ 6787.
4.3.4 Если в коридорах общественных зданий и сооружений положены ковровые дорожки, то для
обозначения боковых проходов их ковровую дорожку прокладывают под магистральной ковровой дорожкой.
4.3.5 В помещениях промышленных зданий и сооружений в качестве напольных указателей могут
быть использованы диэлектрические резиновые ковры по ГОСТ 4997, ширина которых должна быть не
менее 500
мм. Форма рифления должна соответствовать назначению, указанному в таблице 2.
Для обозначения боковых проходов в коридорах зданий можно использовать диэлектрические
резиновые ковры, которые подкладывают под резиновый ковер, обозначающий магистральную дорожку.
4.3.6 Для обозначения выхода из здания применяют различные материалы шириной 500
мм и длиной, равной ширине двери, выложенные на расстоянии 1500
мм до двери, с формой рифления, указанной на рисунке 2.
Если перед выходом из здания положена магистральная ковровая дорожка, для обозначения
выхода под магистральной дорожкой поперек нее дополнительно подкладывают полоску ковровой дорожки шириной 200
мм.
4.3.7 Для обозначения поворота направления движения применяют материалы с формой рифления, указанной на рисунке 4. Для обозначения поворота налево используют левую диагональ, поворота направо - правую диагональ.
[1] СНиП 35-01-2001 Доступность зданий и сооружений для маломобильных групп населения
Ключевые слова: тактильные наземные указатели, тактильные дорожные указатели, тактильные напольные указатели, инвалиды по зрению, технические требования